OriCell®INS-1 大鼠胰岛素瘤细胞系
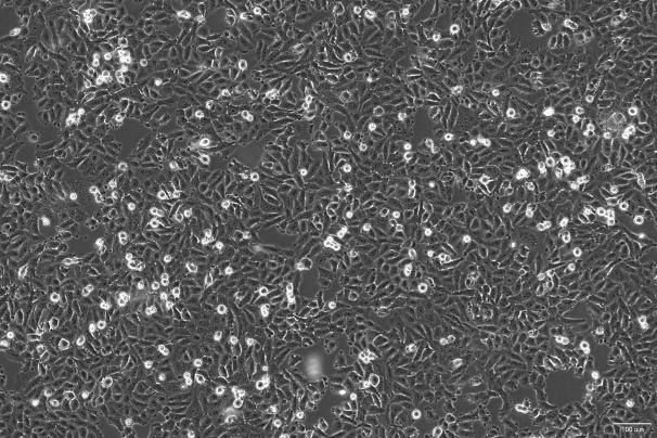
INS-1细胞系常用于胰岛β细胞功能的研究。
产品信息:
|
产品名称 |
大鼠胰岛素瘤细胞系 |
|
简称 |
INS-1 |
|
货号 |
R1-0301 |
|
规格 |
1×106个/管 或 1×106个/瓶 |
|
组织来源 |
大鼠胰腺 |
|
细胞特性 |
贴壁生长;不规则多角样 |
|
培养条件 |
95% 空气;5% CO2;37℃ |
|
培养基 |
RPMI-1640+10%FBS |
|
倍增时间 |
22~30h |
|
生物安全等级 |
1 |
|
保存条件 |
液氮(-196℃) |
质量控制:
1. 通过细菌、真菌、支原体、内毒素检测。
2. 通过细胞复苏活力检测。
3. 通过STR检测。
详情见《产品检测报告》。
用途:
本产品只提供给进一步的科研使用,不可应用于治疗等其他方面。
如果您对产品或服务有兴趣,可通过以下方式联系我们
在下方表单
填写需求描述给我们
填写需求描述给我们
点击页面右侧“在线咨询”
工具快速咨询
工具快速咨询
拨打免费电话:
400-680-8038
400-680-8038
发送邮件至邮箱:
info@oricellbio.cn
info@oricellbio.cn
